Xgzp6841d-c датчик давления стиральной машины (Альтернативные детали датчика давления ADP51B65)
| Производитель | CFSensor |
| категория продукта | Датчик давления |
| Серии | XGZP681D-C |
| Номер модели | Как руководство по заказу |
| Диапазон давления | 0~6кПа |
| Тип давления | Измерять |
| Источник питания | 2.7В~5,5 В |
| Тип выхода | интерфейс I2C |
| Выход | 21 кусочек |
| Точность | ±2,5%(настраиваемый) |
| Измеряемые носители | Воздух или неагрессивный газ |
| Темп. компенсируется | 0℃~+60℃(32℉~+140℉) |
| Рабочая температура | -30~105°С |
| Упаковка | Пластиковая трубка |
ПРИЛОЖЕНИЯ
- Стиральная машина
- Посудомойка
- Кофеварка
- Питьевая машина
- Другое измерение уровня или давления воздуха
ВВЕДЕНИЕ
XGZP6841D-C является идеальным датчиком давления кремния, предлагающим ратиометрические цифровые данные(интерфейс I2C) для считывания перепада давления в указанном диапазоне давлений полной шкалы.
XGZP6841D-C включает в себя чип датчика пьезорезистительного пьезорезистического давления и внутреннее кондиционерное применение, специфичное интегрированное схему(ASIC) в DIP-пакете, который может быть установлен непосредственно на стандартной печатной плате.
XGZP6841D-C полностью калибруется, а температура компенсируется для указанного пролета, Таким образом, датчик давления XGZP6841D-C удовлетворяет идеальной точности, который предназначен для широкого спектра применения в медицинской помощи&здоровье, бытовая техника, бытовая электроника, промышленность, автомобильный, LoT и другие пневматические устройства и т. д. с использованием микроконтроллера или микропроцессора с интерфейсом I2C..
XGZP6841D-C Датчик давления предназначен для высокого объема при применении по доступной цене и идеальной производительности. Индивидуальный параметр калибровки (например, диапазон давления и т. д.) доступны.
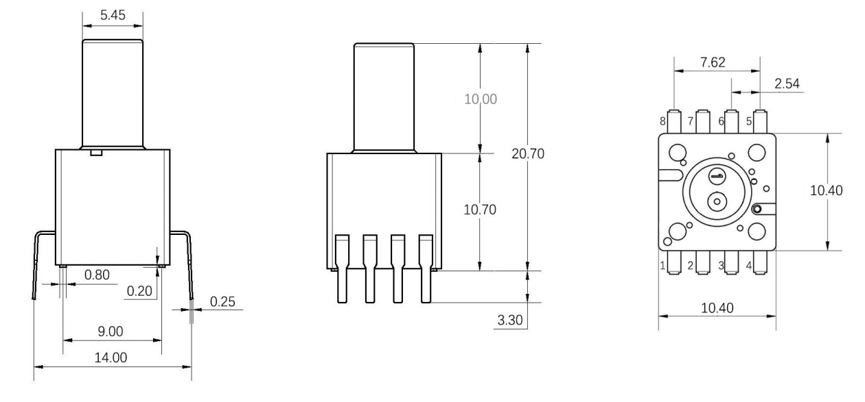
ИЗМЕРЕНИЕ (Ед. изм:мм Неуказанные допуски:±0,1 мм)

ЗАКАЗАТЬ РУКОВОДСТВО

ПРИМЕР ДИАПАЗОНА ДАВЛЕНИЯ

Более подробная информация о XGZP6841D-C, обратитесь к таблицу данных или Свяжитесь с Cfsensor
